Безлимитный доступ к занятиям с онлайн-репетиторами
Выгоднее, чем оплачивать каждое занятие отдельно
Педагогов и учеников предлагают тренировать на случай нападения
Учителям предлагают 1,5 миллиона рублей за переезд в Златоуст
На новом «Уроке цифры» школьникам расскажут о разработке игр
Минобрнауки учредит именные стипендии для студентов из малочисленных народов
Российские школьники установили рекорд на олимпиаде по астрономии
В Якутии школьников отправили на дистанционку из-за морозов
Подарочные сертификаты
Ответственность за разрешение любых спорных моментов, касающихся самих материалов и их содержания, берут на себя пользователи, разместившие материал на сайте. Однако администрация сайта готова оказать всяческую поддержку в решении любых вопросов, связанных с работой и содержанием сайта. Если Вы заметили, что на данном сайте незаконно используются материалы, сообщите об этом администрации сайта через форму обратной связи.
Все материалы, размещенные на сайте, созданы авторами сайта либо размещены пользователями сайта и представлены на сайте исключительно для ознакомления. Авторские права на материалы принадлежат их законным авторам. Частичное или полное копирование материалов сайта без письменного разрешения администрации сайта запрещено! Мнение администрации может не совпадать с точкой зрения авторов.
- Свежие записи
- Нужно ли менять пружины при замене амортизаторов
- Скрипят амортизаторы на машине что делать
- Из чего состоит стойка амортизатора передняя
- Чем стянуть пружину амортизатора без стяжек
- Для чего нужны амортизаторы в автомобиле
- Правообладателям
- Политика конфиденциальности
Как по другому называется системная шина ПК?
Процессорная шина — FSB (англ. Front side bus, переводится как «системная шина») компьютерная шина, обеспечивающая соединение между x86 совместимым центральным процессором и внешним миром.
1. Как называется группа линий связи для обмена данными между несколькими устройствами компьютера?
Вопрос 2
2. Как называется группа линий связи, по которой передаются служебные сигналы для организации обмена данными?
- шина данных
- шина адреса
- шина управления
Вопрос 4
4. Как называется электронная схема для управления внешним устройством и простейшей предварительной обработки данных?
Вопрос 5
5. Отметьте все правильные утверждения о принципе открытой архитектуры.
- описание параметров шины открыто для всех
- все могут разрабатывать устройства, удовлетворяющие стандарту
- в компьютере есть стандартные разъёмы для подключения устройств
- любые новые устройства можно подключить к компьютеру
- для каждого нового устройства нужно установить драйвер
Вопрос 6
6. Определите, о каком способе обмена данными с внешним устройством идет речь: «Достоинства: 1) простота; 2) не нужно дополнительное оборудование. Недостаток: большие потери времени работы процессора.»
- программно управляемый ввод/вывод
- обмен про прерываниям
- прямой доступ к памяти
Вопрос 7
7. Определите, о каком способе обмена данными с внешним устройством идет речь: «Обмен данными происходит по запросу внешнего устройства, при этом процессор выполняет специальную подпрограмму».
- программно управляемый ввод/вывод
- обмен про прерываниям
- прямой доступ к памяти
Вопрос 8
8. Определите, о каком способе обмена данными с внешним устройством идет речь: «Обмен данными запускается центральным процессором, а далее полностью управляется контроллером внешнего устройства».
- программно управляемый ввод/вывод
- обмен про прерываниям
- прямой доступ к памяти
Вопрос 9
9. Как называется временная приостановка основной программы для обработки запроса от внешнего устрйоства?
-
Как нарисовать колесо баланса на компьютере
-
Как узнать длину строки в файле python
-
I5 4430 какой сокет
-
Какое напряжение должен выдавать ибп
- Индизайн как изменить поля во всем документе
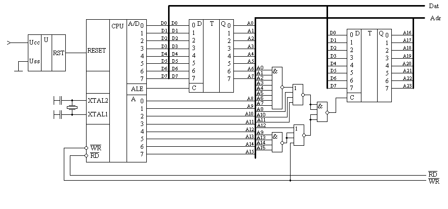
Адресное пространство микропроцессорного устройства.
Адресное пространство микропроцессорного устройства изображается графически прямоугольником,
одна из сторон которого представляет разрядность адресуемой ячейки этого микропроцессора, а
другая сторона — весь диапазон доступных адресов для этого же микропроцессора. Обычно в качестве
минимально адресуемой ячейки памяти выбирается восьмиразрядная ячейка памяти (байт). Диапазон
доступных адресов микропроцессора определяется разрядностью шины адреса системной шины. При
этом минимальный номер ячейки памяти (адрес) будет равен 0, а максимальный определяется из формулы:
Для шестнадцатиразрядной шины это будет число 65535 (64K). Адресное пространство этой шины и
распределение памяти микропроцессорной системы, изображённой на рисунке 1, приведено на рисунке 2,
а распределение памяти микропроцессорной системы, изображённой на рисунке 1, приведено на рисунке 3.


Микропроцессоры после включения питания и выполнения процедуры сброса всегда начинают
выполнение программы с определённого адреса, чаще всего нулевого. Однако есть и исключения.
Например процессоры, на основе которых строятся универсальные компьютеры IBM PC или Macintosh стартуют
не с нулевого адреса. Программа должна храниться в памяти, которая не стирается при выключении
питания, то есть в ПЗУ.
Выберем для построения микропроцессорной системы микросхему ПЗУ объёмом 2 килобайта,
как это показано на рисунке 1. При рассмотрении построения блока обработки сигналов мы
договорились, что процессор после сброса начинает работу с нулевого адреса, поэтому разместим ПЗУ
в адресном пространстве начиная с нулевого адреса. Для того, чтобы нулевая ячейка ПЗУ оказались
расположенной по нулевому адресу адресного пространства микропроцессора, старшие разряды шины
адреса должны быть равны 0.
При построении схемы необходимо декодировать старшие пять разрядов адреса (определить, чтобы
они были равны 0). Это выполняется при помощи дешифратора адреса,
который в данном случае вырождается в пятивходовую схему «ИЛИ» Это связано с тем,
что внутри ПЗУ уже есть одиннадцативходовый дешифратор адреса. При использовании дешифратора
адреса, обращение к ячейкам памяти выше двух килобайт не приведёт к чтению ячеек ПЗУ, так как
на входе выбора кристалла CS уровень напряжения останется высоким.
Теперь подключим микросхему ОЗУ. Для примера выберем микросхему объёмом
8 Кбайт. Для выбора любой из ячеек этой микросхемы достаточно тринадцатибитового адреса,
поэтому необходимо дополнительно декодировать три оставшихся разряда адреса. Так как начальные
ячейки памяти адресного пространства уже заняты ПЗУ, то использовать нельзя. Выберем следующую
комбинацию цифр 001 и используем известные нам принципы . Дешифратор адреса выродится в данном
случае в трёхвходовую схему «И-НЕ» с двумя инверторами на входе. Схема этого дешифратора приведена
на рисунке 1. Приведённый дешифратор адреса обеспечивает нулевой уровень сигнала на входе CS
только при комбинации старших бит 001
Обратите внимание, что так как объём
ПЗУ меньше объёма ОЗУ, то между областью адресов
ПЗУ и областью адресов ОЗУ образовалось пустое пространство неиспользуемых адресов памяти.
Чипсет. Северный и южный мосты
Чипсет (ChipSet — набор микросхем) — основа материнской платы, представляет собой одну или несколько микросхем, специально разработанных для обеспечения взаимодействия центрального процессора (CPU — Central Processing Unit) со всеми другими компонентами компьютера. Чипсет определяет, какой процессор может работать на данной материнской плате, тип, организацию и максимальный объем используемой оперативной памяти (некоторые современные модели процессоров имеют встроенные контроллеры памяти), сколько и какие внешние устройства можно подключить к компьютеру.
Разработкой чипсетов для материнских плат занимаются компании: Intel, NVIDIА, AMD, VIА и SIS.
Чаще всего чипсет состоит из 2 интегральных микросхем, называемых северным и южным мостами. В процессе эволюции компьютерной схемотехники разработчики пришли к следующей структуре: процессор, затем идет связующее звено или «мост», обеспечивающий работу процессора с оперативной памятью (RAM) и каналом PCIe — «Северный мост », а дальше блок контроллеров интерфейсов дисковых систем, последовательных и параллельных портов, PCI-шины, USB, FireWire -«Южный мост ».
Характерной особенностью северного моста является высокая (по сравнению с южным мостом) скорость обработки данных и обеспечения выполнения большинства вычислений самим процессором. Поэтому на нем смонтировано дополнительное охлаждение: пассивный радиатор или радиатор с активным охлаждением в виде небольшого вентилятора.
Южный мост контролирует работу более медленных устройств, подключение которых происходит с использованием интерфейсов IDE, SATA, USB, LAN, Embeded Audio, PCI, PCIe, обеспечивая возможность передачи из них информации к северному мосту. Южный мост также обеспечивает нормальную работу микросхемы BIOS.
Ранее связь северного и южного мостов выполнялся путем интерфейса PCI на смену которой пришла шина Direct Media Interface (DMI) — последовательная шина, разработанная фирмой Intel для соединения южного моста с северным. Впервые DMI использована в чипсетах семейства Intel 915 с южным мостом ICH6 в 2004 году. Пропускная способность шины DMI первого поколения составляет 2 ГБ/сек, что значительно выше, чем пропускная способность шины Hub Link (266 МБ/сек) (пришла на смену PCI), которая используется для связи между северным и южным мостами в чипсетах Intel 815/845/848/850/865/875. Вместе с этим, полоса пропускания 2 ГБ/сек (по 1 ГБ/сек в каждом направлении) делится с другими устройствами (например, PCI Express x1, PCI, HD Audio, жесткие диски).
В материнских платах для процессоров с разъемом LGA 1155 (то есть для Core i3, Core i5 и некоторых серий Core i7 и Xeon) и со встроенным контроллером памяти, DMI используется для подключения чипсета (PCH) непосредственно к процессору. (Серверные процессоры серии Core i7 для LGA 1366 подсоединяются к чипсета через шину QPI).
Характеристики материнской платы
Поколение процессора под который предназначена материнская плата Устанавливать процессор одного поколения в материнскую плату другого нельзя. (Pentium, PII, PIII, PIV, Athlon). От того какой максимально мощный процессор использует ваша материнская плата зависит в принципе, сколько времени она у Вас прослужит.Диапазон поддерживаемых процессором тактовых частот в рамках одного поколения. Обычно чем дороже плата, тем больше диапазон процессорных частот она поддерживает. Если плата поддерживает частоты 1700-1800 МГч, то процессор с частотой 2,1 ГГц не вставить.Частота системной шины напрямую связана с частотой и скоростью работы про цессора. ЦП практически умножает рабочую частоту мат.пл. в 2-3раза. На выборе сочетания одного из коэффициентов с частотой системной шины основан способ разгона процессора
Разго-нять процессор следует осторожно, ибо, в следствие перегрева, он может сгореть. Intel иногда ставит специальные противоразгонные блокировки.Базовый набор микросхем (chipset).От модели чипсета зависят основные характеристики мат.пл.: поддерживаемые процессоры и ОП, тип системной шины, порты внешних и внутренних устройств
На одних и тех же чипсетах строятся различными фирмами мат. платы. Существует несколько базовых чипсетов. Intel, VIA, Nvideo, Ali, Sis
Примеры INTEL 845D 845E 845G 845РЕ 850EФирма-производитель ABIT, ACORP, ASUSTEK, GIGABITE, INTEL, ELITEGROUPФорм-фактор – способ расположения основных микросхем и слотов Baby AT, AT, ATX и ATX-2.1, WTX
ATX (AT extension) разработан фирмой INTEL в 1995г.– появление его обусловлено наличием в ПК большого числа всевозможных внутренних устройств, большой интеграцией микросхем на мат.пл., что повысило требования к охлаждению элементов. Необходим был более удобный дос-туп к внутренним устройствам. Отличия AT и ATХ корпусов:
a) блоки питания: конструкция, размер, разъем для подачи питания на плату, мощ-ность(300,330,350,400 VA). Расширенное управление питанием, в спящем режиме эл.потребление = 0.
б) наличие интегрированных на плату внешних портов, уменьшает число кабелей внутри сис-темного блока (корпуса), облегчается доступ к компонентам системного блока. Порты распола-гаются компактно в ряд на задней стенке системного блока.
в) слоты расширения позволяют устанавливать полноразмерные карты расширения.
г) разъемы дисководов расположены рядом с их предполагаемыми посадочными местами, что позволяет использовать более короткие кабели.
АТХ-2.1 – усовершенствованный ATX Платформа для Р4. Усовершенствования коснулись блока питания с двумя дополнительными выходами к ядру процессора. Дополнительно второй для усиления питающих линий. Тяжелый радиатор ЦП прикреплен к плате винтами, поэтому давле-ние на плату не оказывается.
Базовый набор слотов и разъемов. Количество разъемов и их тип. (тип и количество ОП, AGP, PCI, ISA)
Наличие встроенных устройств. На материнской плате присутствуют чипы видео, звуковой, сетевой карт.
Мат.платы с интегрированными звуком, видео, сетью адаптерами (интегрированные)
Казалось бы это чуть дешевле, чем покупка отдельных компонентов, но такая интеграция имеет и свои недостатки:
1) Звук и видео встроенные платы имеют обычно очень скромные возможности
2) Даже если в данный момент вам и достаточно данных возможностей, то через полгода ситуа-ция может в корне измениться. мат. карта морально стареет гораздо медленнее, чем, скажем видеокарта.
3) Комбинированные карты на практике ведут себя обычно гораздо капризнее, чем карты с от-дельными устройствами. Возможны зависания во время работы программ и при тестирова-нии оборудования. Стоит подумать, прежде чем решиться на покупку комбинированной платы.
Способы расширения адресного пространства микропроцессора.
Известно, что размер адресного пространства определяется разрядностью счётчика команд
микропроцессора. Достаточно часто при развитии микропроцессорной системы возможности адресного
пространства исчерпываются. В таком случае приходится прибегать к методам расширения адресного
пространства.
Для расширения адресного пространства можно воспользоваться параллельным портом.
Внешние выводы параллельного порта при этом используются в качестве старших битов адресной шины.
Такой метод расширения адресного пространства называется страничным методом адресации.
Регистр данных параллельного порта при использовании его для расширения адресного пространства
будет называться переключателем страниц. Схема использования параллельного порта в качестве
переключателя страниц памяти приведена на рисунке 4.

В этой схеме параллельный порт используется в качестве простейшего контроллера памяти
микропроцессорного устройства. При применении восьмиразрядного параллельного порта в
микропроцессорной системе появились дополнительные восемь линий адреса. В результате адресное
пространство микропроцессорной системы увеличилось до 16 Мегабайт. Структура нового адресного
пространства приведена на рисунке 5, а принцип формирования нового адреса с использованием
переключателя страниц приведён на рисунке 6.


Метод страничной адресации прост в реализации и при формировании адреса физической памяти не
приводит к дополнительным временным задержкам, но при использовании многозадачного режима
работы процессора для каждой активной задачи выделяется целая страница в системной памяти
микропроцессора. При такой работе в системной памяти процессора остаётся много неиспользуемых
областей. Решить возникшую проблему позволяет метод сегментной организации памяти.
При сегментном методе организации памяти для расширения адресного пространства используется
базовый регистр, относительно которого производится адресация команд или данных в программе.
Разрядность базового регистра обычно выбирают равной разрядности счётчика команд. В качестве
базового регистра, как и при страничной организации памяти, можно использовать параллельный порт.
Для формирования физического адреса используется параллельный
двоичный сумматор. На входы
этого сумматора подаётся содержимое базового регистра и содержимое счётчика команд.
Суммирование производится со смещением содержимого базового регистра влево на несколько бит
относительно счётчика команд (рисунок 8). В результате максимальный размер сегмента
определяется разрядностью программного счётчика, а максимальная неиспользуемая область памяти —
смещением базового регистра относительно программного счётчика.
Адресное пространство при использовании сегментного метода адресации приведено на рисунке 7.

Многопроводная линия для информационного обмена данными между устройствами компьютера называется:
Объём видеопамяти составляет 100 Кбайт. Графический режим работает в режиме 640 х200 пикселей. Какое максимальное кол-во цветов может содержать палитра?
Переведите величины из одних единиц измерения информации в другие: 1 4 Гбайта=? Кбайт 2 217 Мбайт=? Гбайт 3 13 Мбит=? бит 4 27 Гбит=? бит 5 228 бит=? Мбайт 6 227 Гбит=? Мбайт 7 231 Кбайт=? Мбит
1. Посчитай, сколько бит информации содержит 19 байт 2. Посчитай, сколько байт информации содержат 2 кб 3. Посчитай, сколько байт информации содержит 144 бит
Мощность первого в алфавита составляет 2048 символов информационный вес символа на второго алфавита она 2 бита меньше чем информационный вес символа из первого алфавита определите мощность второго алфавита
Известно правило кодирования — после каждой гласной буквы ставится буква «и», после каждой согласной — «ц». Зашифруй слова: практикум, принтер, секрет, честь.
Для записи текста использовался 64-символьный алфавит. Какое колисество информации в байтах содержит 3 страницы текста, если на каждой странице расположено 40 строк по 60 символов в строке?
Главная » ️ Информатика » Многопроводная линия для информационного обмена данными между устройствами компьютера называется: 1. шиной (магистралью) 2. плоттером 3. модемом 4. контроллером
Как написать хороший ответ?
Чтобы добавить хороший ответ необходимо:
- Отвечать достоверно на те вопросы, на которые знаете правильный ответ;
- Писать подробно, чтобы ответ был исчерпывающий и не побуждал на дополнительные вопросы к нему;
- Писать без грамматических, орфографических и пунктуационных ошибок.
Этого делать не стоит:
- Копировать ответы со сторонних ресурсов. Хорошо ценятся уникальные и личные объяснения;
- Отвечать не по сути: «Подумай сам(а)», «Легкотня», «Не знаю» и так далее;
- Использовать мат — это неуважительно по отношению к пользователям;
- Писать в ВЕРХНЕМ РЕГИСТРЕ.
Есть сомнения?
Не нашли подходящего ответа на вопрос или ответ отсутствует? Воспользуйтесь поиском по сайту, чтобы найти все ответы на похожие вопросы в разделе Информатика.
Трудности с домашними заданиями? Не стесняйтесь попросить о помощи — смело задавайте вопросы!
Информатика — наука о методах и процессах сбора, хранения, обработки, передачи, анализа и оценки информации с применением компьютерных технологий, обеспечивающих возможность её использования для принятия решений.
Разъемы материнских плат
По всему периметру платы находится большое количество специальных разъемов в виде слотов. Они предназначены для подключения плат расширения.
Разъема PCI — долгое время были стандартом для подключения аудио-, звуковых- и сетевых карт, TV-тюнера, Wi-Fi-адаптера. Однако впоследствии появились новые и более быстрые шины PCIе. На сегодняшний день некоторые материнские платы поддерживают оба этих интерфейса, но поддержка PCI встречается все реже.
Внешний вид разъемов PCI и PCIe
Для жестких дисков и DVD / CD приводов предназначены разъемы SATA и PATA (ATA (IDE)). Их легко отличить по внешнему виду (SATA — маленький, РATA — широкий, многоконтактный), как на самом устройстве, так и на материнской плате. Несмотря на новый стандарт (SATA), некоторые материнские платы все еще оснащаются старым интерфейсом ATA (IDE). Но вероятно со временем его поддержка прекратится полностью учитывая неактуальность.
Оперативная память используется процессором для кратковременного хранения информации во время выполнения им различных операций. Чем больше программ одновременно открыто и обрабатывается процессором, тем больше оперативной памяти для этого используется.
Для оперативной памяти существуют отдельные разъемы. В результате ее развития и усовершенствований существует несколько типов памяти: DDR1, DDR2, DDR3, DDR4. Чем больше цифра-окончание, тем более продуктивной является память.
Каждая из них имеет свой разъем для подключения, а соответственно каждая материнская плата рассчитана на поддержку только одного ее типа. То есть каждый тип памяти не являются взаимозаменяемыми. На рисунке приведены различия в расположении зазоров в разъемах различных типов оперативной памяти.
Сравнение различных типов оперативной памяти
И последний рассмотренный нами разъем используется для подключения блока питания к материнской плате. Этот разъем практически не изменился со времен появления первой ATX материнской платы. К нему лишь добавили несколько контактов для подачи дополнительного питания к современным мощным процессорам.
Внешний вид нового разъема для подключения питания к материнской плате Внешний вид старого разъема для подключения питания к материнской плате
Основная печатная плата компьютера называется материнской платой. Она еще называется системной платой или основная плата. Все основные компоненты компьютера размещены на материнской плате, это слоты процессора, памяти и порты расширений. Материнская плата прямо или косвенно связана с каждым компонентом компьютера.
В этой статье мы рассмотрим основные компоненты материнской платы пк, которые играют самую значительную роль в его работе, а также основные порты материнской платы.
Архитектура интерфейсов ввода-вывода
Интерфейсы памяти и ввода-вывода связаны с логикой управления шиной. Между ней и интерфейсами находятся только электрические проводники шины; следовательно, интерфейсы должны быть спроектированы для передачи и приема сигналов, совместимых с логикой управления шиной и ее временной диаграммой. При наличии сходства интерфейсов памяти и ввода-вывода между ними имеются и существенные различия.
Интерфейс ввода-вывода должен выполнять следующие функции:
1. Интерпретировать сигналы адреса и выбора между памятью и вводом-выводом, чтобы определить обращение к нему, и в случае такого обращения определить, к каким регистрам происходит обращение.
2. Определять, выполняется ввод или вывод; при выводе воспринять с шины выходные данные или управляющую информацию, а при вводе поместить на шину входные данные или информацию о состоянии.
3. Вводить или выводить данные в подключенное устройство ввода-вывода и преобразовывать параллельные данные в формат, воспринимаемый устройством, или наоборот.
4. Посылать сигнал готовности, когда данные восприняты или помещены на шину данных, информируя процессор о завершении передачи.
5. Формировать запросы прерываний и (при отсутствии в логике управления шиной управления приоритетными прерываниями) принимать подтверждения прерываний и — выдавать тип прерывания.
6. Принимать сигнал сброса и реинициализировать себя и, возможно, подключенное Устройство.

Схема типичного интерфейса ввода-вывода
Главные функции интерфейса сводятся к преобразованию сигналов между системной шиной и устройством ввода-вывода и реализации буферов, необходимых для удовлетворения двух наборов временных ограничений. Значительная часть функций интерфейса выполняется блоком, находящимся на рисунке справа. Часто он реализуется в виде микросхемы, но иногда функции этого блока могут быть разбросаны по нескольким приборам. Очевидно, его функции полностью определяются устройством ввода-вывода, с которым должен взаимодействовать интерфейс.
Интерфейс можно разделить на две части, взаимодействующие с устройством и с системной шиной. Первая из них определяется устройством, а вторые части всех интерфейсов в данной системе довольно похожи, так как они связаны с одной и той же шиной. В них должны быть шинные драйверы и приемники, схемы преобразования интерфейсных сигналов управления в соответствующие квитирующие сигналы и схемы для дешифрирования появляющихся на шине адресов.
Квитирование — установка переключателя в положение, соответствующее полученному сигналу. Квитирование используется для надежной синхронизации работы ЭВМ и периферийного оборудования: между ними осуществляется обмен сигналами управления и сигналами состояния с целью взаимной синхронизации. Метод передачи данных с квитированием позволяет согласовать скорости выполнения операций в медленных УВВ и в быстрых ЦП.
Логику квитирования нельзя спроектировать, не зная управляющих сигналов, необходимых основному интерфейсному устройству, а эти сигналы в различных интерфейсах варьируются. Обычно эта логика должна воспринимать сигналы считывания/записи, определяющие направление передачи, и выдавать для микросхем 8286 сигналы ОЕ (Output Enable) и Т (Transmit). Через эту логику должны также проходить линии запроса прерывания, готовности и сброса. Иногда управляющие линии шины проходят через логику квитирования неизменными (т. е. подключаются прямо к основному интерфейсному устройству).





























