Определение состояния двигателя по виду свечей
Если установлен двигатель 2AZ-FE, свечи зажигания с иридиевыми электродами марки DENSO SK20R11 или NGK IFR6A11

На двигатель 2GR-FE устанавливают свечи зажигания с иридиевыми электродами с выступающим искровым промежутком марки DENSO FK20HR11
рис. 13. Вид нормальной свечи
Серовато-желтый или коричневый цвет и небольшой износ электродов.
Точное соответствие теплового значения свечи для двигателя и рабочих условий
рис. 14. Отложения сажи
Отложение сухой копоти указывает на богатую топливовоздушную смесь или позднее зажигание
В этом случае, вызывает пропуски зажигания, затрудненный пуск двигателя и неустойчивую работу двигателя.
Нужно проверить, не забит ли воздушный фильтр, исправность датчиков температуры охлаждающей жидкости и всасываемого воздуха
рис. 15. Масляные отложения, замасленные электроды и изолятор свечи
Причина – попадание масла в камеру сгорания через направляющие клапанов или поршневые кольца
В этом случае, затрудненный пуск, пропуски в работе цилиндра и подергивание работающего двигателя.
Необходим ремонт головки блока цилиндров и поршневой группы двигателя.
рис. 15. Металлосодержащий налет
Отложения на юбке изолятора окислов железа кирпично-красного цвета из антидетонационных железосодержащих присадок (ферроценов) к бензину.
Откладываются ровным, плотным слоем.
При работе двигателя с большой нагрузкой под воздействием высокой температуры и давления в камере сгорания окислы восстанавливаются в токопроводящие дорожки чистого железа, замыкающие центральный электрод с массой
Это вызывает пропуски зажигания и, как следствие, падение мощности двигателя и повышенный расход топлива.
Помимо этого, может быть поврежден каталитический нейтрализатор отработавших газов, сильно перегревающийся при попадании в него несгоревшего в цилиндрах двигателя бензина.
Налет практически не удаляемый механическим способом и не выгорает при длительном движении с большой скоростью.
Если этот налет появляется на новых свечах после небольшого пробега, нужно сменить место заправки
Если нет возможности сразу же заменить свечи новыми, попробуйте удалить этот налет, погрузив свечи на десять минут в преобразователь ржавчины.
После этого очистите налет не металлической щеткой и промойте свечи сначала водой, а затем бензином
рис. 16. Оплавленные электроды
Раннее зажигание.
Изолятор белый, но может быть загрязнен из-за пропусков искры и попадающих на него отложений из камеры сгорания.
Может привести к повреждению двигателя.
Нужно проверить соответствие типа свечи зажигания, чистоту распылителей форсунок и топливного фильтра, работу системы охлаждения и смазки
рис. 17. Пепельные отложения
Светло-коричневые отложения, покрывающие коркой центральный и боковой электроды.
Выделяются из присадок к маслу или бензину.
Большое их количество может привести к изоляции электродов свечи, вызывая пропуски в искрообразовании и перебои при разгоне.
Если чрезмерные отложения образуются через короткое время или при небольшом пробеге, нужно заменить маслосъемные колпачки направляющих клапанов, чтобы предотвратить попадание масла в камеру сгорания
Если отложения образуются при длительном пробеге, причина в качестве бензина
рис. 18. Изолятор свечи, растрескавшийся или со сколами
Это признак детонации, может привести к повреждению поршня.
Убедитесь, что октановое число бензина соответствует требуемому
рис. 19. Механические повреждения электродов и изоляторов свечи
Повреждения могут быть вызваны инородными предметами, попавшими в камеру сгорания, а в случае использования слишком длинной свечи ее электроды может зацепить поршень.
Это приведет к разрушению свечи, отключению цилиндра и может повредить поршень.
Нужно удалить инородный предмет из цилиндра и (или) замените свечу
Слабые места мотора 2GR
- Система DVVT-i;
- Водяной насос (помпа);
- Катушки зажигания;
- ЦПГ;
- Радиатор системы охлаждения;
- Дроссельные заслонки;
- Пятый цилиндр (на 2GR-FSE).

Состав привода ГРМ системы DVVT-i:1 — выпускной клапан VVT; 2 — впускной клапан VVT; 3 — датчик положения распредвала (выпускных клапанов); 4 — датчик положения распредвала (впускных клапанов), 5 — температурный датчик ОЖ; 6 — датчик положения коленвала.
Система DVVT-i – имеет свой ресурс безупречной работы и после его окончания начинаются проблемы с работой мотора. DVVT-i — цепной привод ГРМ задействующий впускные и выпускные распредвалы с механизмами с VVT на обеих головках. VVT механизмы изменения фаз (муфты, они же фазорегуляторы) на впуске и выпуске отличаются по конструкции небольшими отличиями. К распредвалам муфты крепятся пятью болтами. С износом работающих в постоянном трении деталей механизмов VVT-i, несмотря на постоянные потоки моторного масла, появляются дефекты на плоскостях деталей: увеличенная шероховатость и неплоскостность, риски, борозды, ступенчатые переходы. Из-за неравномерного износа по толщине работающих в сопряжении деталей в муфтах (корпус, ротор, фиксатор, звездочка), в работе фазорегуляторов могут возникать подклинивания, что сразу же нарушает фазы газораспределения, то есть впускные и выпускные клапаны начинают открываться и закрываться некорректно. По этой же причине приходит «конец» клапану VVT-i (соленоиду) и он теряет способность постоянной работы (клинит). В дополнение, часто причиной нарушения работы системы является засорение сеточки масляного фильтра клапана VVT-i. Что происходит с мотором при проблемах в системе VVT-i вы можете прочитать ниже в недостатках.
Водяной насос (помпа) имеет ресурс 50 — 70 тыс. км. При выработке установленной наработки насос не обеспечивает герметичность охлаждающей жидкости и она подтекает. Дефект устраняют заменой узла.
Холостой ход. Обычный дефект на японских движках вызванный засором дроссельных заслонок. При периодическом обслуживании заслонок проблем с ними не возникает. У водяного насоса малый ресурс. После пробега 50-70 тыс. км требует замены.
Катушки зажигания. На ДВС раннего выпуска случаи отказов катушек случались с большей вероятностью.
ЦПГ 2GR-FSE рассчитана под высококачественные моторные масла, соответственно при применении масел с несоответствующими химмотологическим свойствам маслам рекомендованных производителем возникает повышенный износ цилиндро-поршневой группы.
Радиатор системы охлаждения в трубном пакете нередко дает течь ОЖ. Исходя из отзывов, радиатор по прочности слабоват, что-то с ним перемудрили конструкторы. Для замены подходит китайская подделка и «ходит» он дольше.
![]() |
![]() |
Дроссельные заслонки впускного коллектора загрязняются пылью из-за подсоса неочищенного воздуха из-под воздушного фильтра. При виде грязи (пыли) на заслонках, надо понимать, что пыль поступала в цилиндры и служила абразивом. Это одна из причин снижения компрессии в цилиндрах. Причина подсоса неочищенного воздуха ветхое крепление воздушного фильтра не обеспечивающее должную герметичность. Для исправления дефекта достаточно приклеить по периметру фильтрующего элемента уплотняющий материал (губку).
Пятый цилиндр на 2GR-FSE перегревается и данный дефект считается конструкционным по причине недостаточной проработки при проектировании и испытаниях. В итоге, при перегреве на гильзе цилиндра нарушается зеркало и появляются задиры. Вместе с тем, проблема сопровождается высоким расходом масла. Блок цилиндров, как уже отмечалось выше, одноразовый и ремонту не подлежит.
Что такое регулировка клапанов
Работа бензиновых двигателей заключается в подаче топливовоздушной смеси в емкости цилиндров. А затем полный отвод находящихся в них отработанных газов. Операции проходят через клапаны, закрывающие и открывающие отверстия.
Их существует два вида: впускные и выпускные. Они по очереди открываются, чтобы наполнить или опорожнить цилиндры. Действия контролируются с помощью распределительного вала, его специализированные кулачки оказывают попеременное воздействие на клапаны, открывая или закрывая отверстия цилиндров.
Уровень стандартной рабочей температуры высок, а у металла имеется свойство расширяться при нагревании. Такой процесс неизбежно приведет к изменению формы деталей и приходится корректировать образовавшийся просвет. Такая работа именуется «регулировкой клапанов».
Особенности конструкции
Атмосферный 6-цилиндровый V-образный двигатель 1GR FE имеет 2 ряда цилиндров, установленных на едином алюминиевом блоке. Угол развала составляет 60°. Внутри блоков цилиндров установлены чугунные гильзы с тонкими стенками. Внешняя поверхность гильзы имеет неровности, которые обеспечивают улучшенный теплообмен. Между смежными гильзами просверлены каналы для прохождения антифриза.

На раннем двигателе установлены алюминиевые головки, не имеющие общего корпуса для опор распределительных валов. Поздний вариант мотора стал комплектоваться общей постелью. Каждый цилиндр имеет 4 клапана, впускные и выпускные клапаны установлены V-образно.
Для привода валов впускных клапанов используется 1-рядная цепь. Боковые ветви поджаты планками натяжителей, имеющих автоматический гидравлический привод. На каждой головке есть дополнительная цепь для привода вала выпускных клапанов. Натяжение регулируется гидравлическими устройствами. Газораспределительный механизм не оснащен автоматическими регуляторами зазора. Вместо них используются специальные шайбы, имеющие ресурс работы 150-180 тыс. км.
В головках выполнены рубашки охлаждения открытого типа. На передней части мотора установлена жидкостная муфта с управлением от термоэлемента. Муфта используется для привода вентилятора системы охлаждения. В рубашках охлаждения поздней модификации мотора стала применяться вставка, компенсирующая неравномерность температуры по разным сторонам блока.
Характеристики поршневой группы предопределили тяговитый характер мотора. Максимальная мощность достигается при 5200-5600 оборотах в минуту, но зона крутящего момента смещена в сторону низких оборотов.

Коленчатый вал раннего типа имеет 4 коренные шейки и 9 противовесов. Позднее стала применяться деталь с меньшим числом балансиров. Поршни отлиты из алюминиевого сплава, на днище имеется выемка для клапанов. В конструкции поршня применена укороченная юбка, позволившая снизить шум при работе двигателя. На моторах поздних выпусков стали применять поршни с дополнительно подрезанной юбкой.
Степень сжатия составляет 10,0-10,4 (в зависимости от модификации мотора). На ранних версиях компрессия была ниже, что позволяет использовать в качестве топлива бензин А-92 или А-95. Поздний вариант желательно эксплуатировать на бензине А-95. Средний расход топлива составляет 11,8-15,0 л на 100 км пробега.
Смазка двигателя принудительная, имеется специальный охладитель для жидкости, расположенный на верхней части блока. Охладитель используется для установки масляного фильтра. На позднем моторе узел перенесли на нижнюю часть картера. Масляный насос имеет привод от коленчатого вала, расположен на лобовой крышке мотора.
Система питания двигателя топливом оснащена обратной магистралью и регулятором давления, работающим от разряжения во впуске. Для подачи топлива в двигатель используется система распределенного впрыска в коллектор. Впускной коллектор оснащен регулировкой длины каналов с электрическим (на ранних версиях) или вакуумным приводом. В конструкции имеется специальная камера, снижающая шум воздуха при впуске.

На двигателях применены 2 выпускных коллектора, оснащенных индивидуальными нейтрализаторами. На поздней модификации используется система подачи воздуха в выпускной коллектор, позволяющая дожигать выхлопные газы. Силовые агрегаты соответствуют экологическим нормам Евро-5.
Для запуска мотора применяется электрический стартер с планетарным редуктором. Для стандартных условий эксплуатации используется электродвигатель с сегментной обмоткой на якоре. Для стран с холодным климатом поставлялся стартер повышенной мощности со стандартной обмоткой.
1GR-FE Engine Applications
Early model single (intake) VVT-i 1GR-FE
- 2002-2009 Toyota 4Runner / Hilux Surf (GRN210/215)
- 2007-2011 Toyota Land Cruiser (GRJ200)
- 2002-2009 Toyota Land Cruiser Prado (GRJ120/121/125)
- 2004–2015 Toyota Tacoma (GRN225/245/250/265/270)
- 2005-2015 Toyota Hilux (GGN10/20)
- 2005-2006 Toyota Tundra (GSK30)
- 2006-2009 Toyota Tundra (GSK50/51)
- 2005–2015 Toyota Fortuner (GGN50/60)
- 2006-2009 Toyota FJ Cruiser (GSJ10/15)
- 2009–present Toyota Land Cruiser 70
- 2015–present Toyota Hilux
Late model Dual VVT-i 1GR-FE
- 2009–present Toyota 4Runner (GRN280/285)
- 2009–present Toyota FJ Cruiser
- 2011–2014 Toyota Tundra (GSK50/51)
- 2012–2021 Toyota Land Cruiser (GRJ200)
- 2021–present Toyota Land Cruiser (GRJ300)
- 2012–present Lexus GX 400 (GRJ150)
- 2015–present Toyota Fortuner
- 2009–present Toyota Land Cruiser Prado (GRJ150/150R/155)
Тюнинг двигателя 1VD
Чип-тюнинг
Так как все битурбо 1VD технически идентичны, то прошивка любого такого мотора позволяет легко получить 320-330 л.с. и 750 Нм крутящего момента или больше. Если к чипу дополнительно поставить даунпайп и залить прошивку Stage 2, то открывается возможность поднять мощность до 360+ л.с. и момент под 800 Нм или больше. Более простым вариантом видится замена ЭБУ своего 235-сильного мотора на европейский мозг на 286 л.с или на 272 л.с. Мотор Land Cruiser 70 на 202 л.с. можно раскачать до 250 л.с., а момент поднять до 540 Нм с помощью все той же прошивки блока управления.
РЕЙТИНГ ДВИГАТЕЛЯ: 5
<<�НАЗАД
Проблемы при оплате банковскими картами
Иногда при оплате банковскими картами Visa / MasterCard могут возникать трудности. Самые распространенные из них:
- На карте стоит ограничение на оплату покупок в интернет
- Пластиковая карта не предназначена для совершения платежей в интернет.
- Пластиковая карта не активирована для совершения платежей в интернет.
- Недостаточно средств на пластиковой карте.
Для того что бы решить эти проблемы необходимо позвонить или написать в техническую поддержку банка в котором Вы обслуживаетесь. Специалисты банка помогут их решить и совершить оплату.
Вот, в принципе, и все. Весь процесс оплаты книги в формате PDF по ремонту автомобиля на нашем сайте занимает 1-2 минуты.
ГБЦ 1GR-FE
Головки цилиндров изготовлены из алюминиевого сплава с двумя верхними распределительными валами и четырьмя клапанами на цилиндр. Распределительные валы двигателя 1GR-FE изготовлены из чугунного сплава. И в первичной, и во вторичной цепях привода ГРМ использовались роликовые цепи. Впускные распределительные валы приводятся в движение коленчатым валом через первичную цепь привода ГРМ. Выпускные распределительные валы приводятся во впускной распределительный вал соответствующего ряда через вторичную цепь привода ГРМ. Для двойного VVT-i 1GR-FE лепестки кулачка имели зубчатые R-профили для увеличения подъема клапана.
Для приведения в действие клапана в двигателе VVTi 1GR-FE использовались клапанные толкатели без шайбы. Ранняя версия двигателя Toyota 1GR-FE не оснащалась гидравлическими подъемниками, поэтому вы должны регулировать зазоры клапанов один раз за 100 000 км пробега.
В сдвоенном двигателе VVTi 1GR-FE использовались роликовые качающиеся рычаги со встроенными игольчатыми подшипниками, которые уменьшали трение, возникающее между распределительными валами и роликовыми качающимися рычагами. Эта версия двигателя имеет гидравлические регуляторы ресниц. Благодаря использованию давления масла и силы пружины, регулятор ресниц поддерживал постоянный нулевой зазор клапана.
| ГБЦ (ВВТ-и) | |
|---|---|
| Тип ГРМ | DOHC, цепной привод |
| Клапаны | 24 (4 клапана на цилиндр) |
| Скорость впуска/выпуска | — |
| Диаметр тарелки клапана | — |
| — | |
| Длина клапана | ЗАБОР 106,95 |
| ВЫПУСКНАЯ 105,80 |
Процедура затяжки головки и характеристики крутящего момента:
Внедорожник Тойота Ленд Крузер Прадо является четвертым поколением легендарного автомобиля. Выпускается с 2009 года японской компанией Toyota Motor Corporation. Специалисты оценивают машину как самой удачной за всю историю модели. Она комфортна, надежна и безопасна.
Комплектуется внедорожник, как бензиновыми, так и дизельными силовыми установками:
- 1GR-FE – самый мощный бензиновый мотор. Обьем 4,0 л, мощность 282 л.с. Недостаток – большой расход топлива. Работает совместно с АКПП. Максимальная скорость – 180 км/час;
- 1KD-FTV — дизельный двигатель потребляет адекватное количество топлива. Обьем 3,0 л, мощность 173 л.с. Развивает скорость 175 км/час. Недостаток – чувствительность к качеству топлива;
- 2TR-FE – бензиновый мотор объемом 2,7 л, мощностью 160 л.с. Единственный агрегат, который работает, как с автоматом, так и механикой. Недостаток – слабая мощность. Несмотря на это силовая установка справляется с габаритами авто и обеспечивает хороший показатель управляемости. Разгоняет машину до 165 км/час.
Внедорожник предназначен для езды по неровностям, ямам и грязи. Такие условия эксплуатации негативно сказываются на его узлах и установках. Мотор испытывает основное давление. Также влияет на срок его службы манера езды. К быстрому износу приводит постоянное торможение и резкая езда. При своевременном обслуживании бензиновые двигатели без проблем выхаживают 300 – 400 тысяч км, дизельные – 200 – 250 тысяч км.
НЕДОСТАТКИ, ПОЛОМКИ И ПРОБЛЕМЫ ТОЙОТА 2GR-FSE
В пятом цилиндре двс (только на 2GR-FSE) образуются задиры из-за просчета конструкции
На пробегах за 100 тысяч километров нередко начинается масложор
Резино-металлическая масляная линия часто трескается и дает течь
Раздаются посторонние шумы при работе двс, особенно от муфт VVT-i
Регулярно выходят из строя лямбда-зонды и датчик состава смеси AFS
Производитель объявлял отзыв из-за бракованных клапанных пружин
Надежность катушек зажигания и водяной помпы весьма неважная
К тому же этот двигатель довольно плохо переносит сильный мороз
Повышенный абразивный износ 5 цилиндра
Проблемы с ним возникают довольно часто. Для диагностики достаточно замерить компрессию. Если она ниже 10,0 атм., значит проблема появилась. Нужно принимать меры для ее устранения. Как правило, это ремонт двигателя. Разумеется, до такого состояния мотор лучше не доводить. Возможность для этого есть. Просто нужно очень внимательно прочитать «Инструкцию по эксплуатации автомобиля» и неукоснительно выполнять ее требования.
Более того, рекомендованные ей некоторые параметры желательно сокращать. Например, воздушный фильтр нужно заменять в 2 раза чаще, чем рекомендуется. То есть через каждые 10 тыс. км. Почему? Достаточно сравнить качество японских дорог и наших и станет все ясно.
Точно такая же картина обстоит с так называемыми «расходниками». Достаточно заменить качественное рекомендованное производителем масло, как возникновение проблем не за горами. Сэкономив на масле придется раскошелиться на ремонт.
Высокий расход масла на «угар»
У новых двигателей он лежит в пределах 200-300 гр. на 1000 км. Для линейки 3GR FSE это считается нормой. Когда он возрастает до 600-800 на 1000, тут уж приходится принимать активные меры. В плане расхода масла, пожалуй, можно сказать одно – от ошибок не застрахованы даже японские инженеры.
Пробой прокладки ГБЦ
Опасность пробоя прокладок ГБЦ и возможность коробления самих головок связаны с некачественным обслуживанием двигателя, особенно его системы охлаждения. Далеко не каждый автолюбитель обслуживая двигатель снимает первый радиатор для промывки полости между радиаторами. А ведь основная грязь собирается именно там! Таким образом даже из-за этой «мелочи» двигатель не получает достаточного охлаждения.
Таким образом, вывод можно сделать один – своевременное и правильное (применительно к нашим условиям эксплуатации) обслуживание двигателя в разы повышает его экономичность и надежность.
Когда требуется замена натяжителя
Натяжитель цепи ГРМ — вспомогательный компонент газораспределительного механизма. Он обеспечивает нужную степень натяжения по всей длине и не зависит от внешних факторов: температуры, нагрузки на авто и износа.
Цепной привод надежен и устойчив к экстремальным условиям езды. Единственное, чему подвержена деталь, — износу из-за расширения под воздействием высокой температуры. С течением времени она вытягивается и уже не способна функционировать нормально. Появляется нехарактерный шум, вибрация, звенья соскакивают со звездочек, что приводит к разрушению отдельных механизмов двигателя. Возникновение таких проблем предотвращает натяжитель. Его функции:
- поддержание натяжения цепи на нужном уровне;
- демпфирование колебаний звеньев.
Такая деталь исключает необходимость ручной калибровки натяжения цепи. Помимо этого, натяжитель — узел, который снимает дополнительную нагрузку с других деталей, таким образом сокращая износ. В случае неисправности этой детали вероятно возникновение серьезных проблем, которые потребуют длительного ремонта и финансовых вложений.
Нужна замена натяжителя 1GR на прадо 120 вместе с самой цепью.
Другие проблемы и неисправности
Лакокрасочное покрытие кузова Prado не достаточно стойкое к внешним воздействиям, как и на большинстве нынешних автомобилей. Сколы на капоте не редкость, а металл начинает цвести. Иной раз рыжие точки можно обнаружить на двери багажника либо внизу передних дверей (с внутренней стороны).
В машинах 2-го рестайлинга (с 2017 года) нередко обнаруживаются потертости или сколы краски вокруг фары (на крыльях и бампере). Причина в конструктивном недостатке — зазор между элементами практически отсутствует.
Очень быстро теряет лоск и начинает облезать хромированное покрытие радиаторной решетки и накладки на задней двери.
Зимой часто перестает функционировать фиксатор двери багажника: под чехол амортизатора попадает влага и его срывает при открытии.
С возрастом сдаются опоры кузова — втулки сгнивают, а сайлентблоки проседают. Чаще обновлять приходится передние опоры. Стоимость полного комплекта для кузова — около 9 000 рублей.
Некоторые владельцы Тойота Ленд Крузер Прадо были озадачены «трясущимся светом» ксеноновых фар. Так же встречалось запотевание оптики камеры переднего обзора.

Посторонние звуки в салоне внедорожника не редкость, особенно в непрогретом салоне. Повальная напасть дизельных версий – сверчок в правом нижнем углу лобового стекла. Одна из причин – наружная пластиковая накладка внизу стекла. Скрип уходит после ее проклейки. Дилеры хорошо осведомлены о проблеме. Другая причина – вибрация правого переднего крыла. В этом случае необходимо подогнуть металлический профиль на внутренней стороне крыла.
Отдельные хозяева отмечают наличие скрипов в водительском сиденье и дребезжание спинки заднего сиденья.
Свою лепту в «неправильное восприятие» Toyota Land Cruiser Prado вносит недостаточное качество кожаной обивки сидений, руля и серебристых пластиковых вставок на руле и ручке АКПП. Они сравнительно быстро приобретают следы потертостей (после 20-40 тыс. км).
При больших пробегах встречаются случаи появления свиста при включении мотора отопителя. Из-за разрушения хрупкого пластикового стопора может провалиться ручка управления климатом переднего пассажира.
Иногда менять приходится и подрулевой шлейф (улитка) — перестают работать кнопки на руле, и появляются ошибки в системах безопасности. Оригинальная «улитка» доступна за 20 000 рублей, китайский аналог гораздо дешевле — от 1 000 рублей.
Упоминания о неисправностях генератора отмечены при пробегах более 400-500 тыс. км.
Maintenance data
| Valve clearance (Cold) | |
| Intake valve (COLD) | 0.15-0.25 mm (0.006-0.010 in) |
| Exhaust valve (COLD) | 0.29-0.39 mm (0.0114-0.0154 in) |
| Compression pressure | |
| Standard | 13.3 bar (13.6 kg/m2; 193 psi) |
| Minimun | 10.2 bar (10.4 kg/m2; 148 psi) |
| Compression differential limit between cylinders | 1.0 bar (1.0 kg/m2; 15 psi) |
| Oil system | |
| Oil consumption , L/1000 km (qt. per miles) | up to 0.5 (1 qt. per 1200 miles) |
| Recommended engine oil | 5W-30 |
| Oil type API | SM “Energy-Conserving” |
| Engine oil capacity (Refill capacity) | With filter change: 4.9-5.5 litersWithout filter change: 4.2-4.5 liters, depending on vehicle model |
| Oil change interval, km (miles) | 7,500-15,000 (5,000-10,000) |
| Oil Pressure | Idle speed: More than 29 kPa 3,000 rpm: More than 294-539 kPa |
| Ignition system | |
| Spark plug | VVT-i: DENSO: K20HR-U11 or NGK: LFR6C-11;Dual VVT-i: DENSO: SK20HR-11 |
| Spark plug gap | 1.0-1.1 mm (0.0394-0.0433 in) |
| Spark plug tightening torque | 20 N·m (2 kg·m, 14.7 ft·lb) |
Valve clearance adjustment data
Calculate the thickness of new adjusting valve shim so valve clearance comes within specified values.
R = Thickness of removed valve shim N = Thickness of new valve shim M = Measured valve clearance
Intake: N = R + Exhaust: N = R +
Valve shims are available in 35 sizes to range from 5.060 mm (0.1992 in) to 5.740 mm (0.2260 in), in steps of 0.02 mm (0.0008 in).
Example (exhaust valve): R = 5.300 mm M = 0.520 mm N = 5.300 + (0.45 – 0.30) = 5.450 mm.
Сайт автоэлектрика. Практика ремонта, электросхемы и т.д.

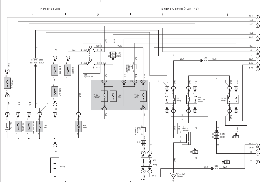
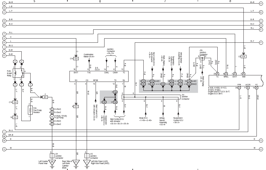
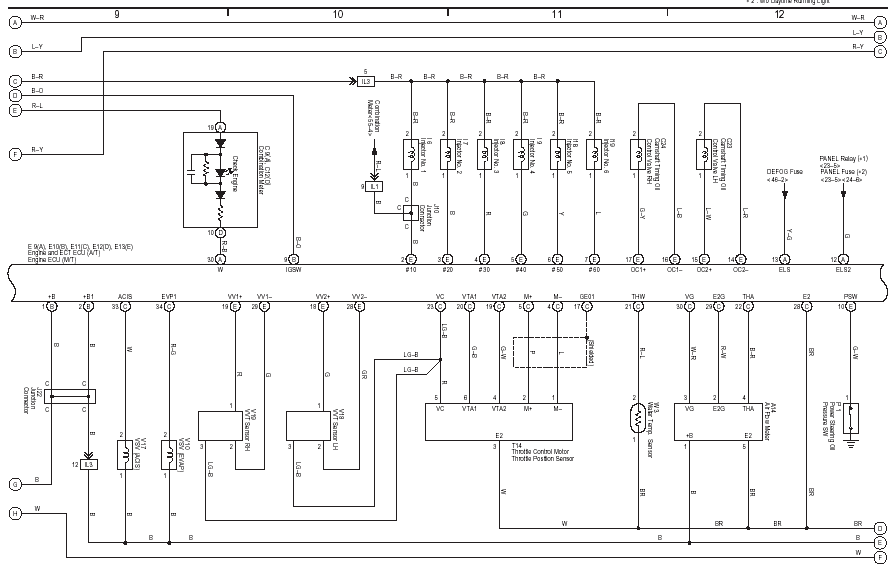
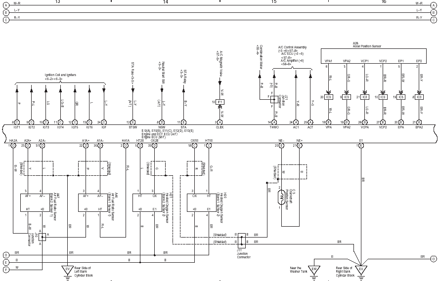
Схема системы впрыска прадо 120 1GR-FE
Схема включения бензонасоса на прадо 120 полностью аналогична сотому крузеру, тут описание подробное.

Схема EFI relay, A/F Heater relay, C/OPN Relay, ACC CUT Relay (отключает цепь аксессуаров во время вращения стартера, управляется от блока управления двигателя)

Схема реле FUEL PUMP Relay, бензонасоса, дополнительного резистора бензонасоса, диагностического разъёма.

Схема топливных форсунок, лампы чек енджин, датчиков положения коленвала и распредвала, клапанов ввт, расходомера воздуха, электронной дроссельной заслонки, датчика температуры охлаждающей жидкости.

Схема датчиков кислорода, электронной педали акселератора.

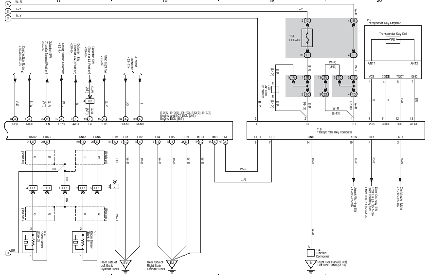
Схема датчиков детонации, блока иммобилайзера Transponder Key Computer Amplifer
Двигатель Toyota 1GR-FE
Двигатель Toyota 1GR-FE относится к бензиновым двигателям V6 производства Toyota. Первая версия данного двигателя была выпущена в 2002-ом году и постепенно стала вытеснять с автомобильного рынка устаревающие 3,4-литровые двигатели 5VZ-FE. Новый 1GR выгодно отличался от предшественников рабочим объемом в 4 литра. Двигатель вышел не слишком оборотистым, но достаточно моментным. Кроме 5VZ-FE задачей двигателя 1GR-FE также была постепенная замена устаревающих двигателей серий MZ, JZ и VZ.

1GR-FE можно встретить только на внедорожниках, что очевидно из его технических характеристик. Рабочий объем 1GR-FE составляет 4 литра (3956 кубических сантиметра). Предназначается для продольной установки. Цилиндры 1GR-FE фактически образуют квадрат двигателя. Диаметр цилиндров составляет 94 миллиметра, ход поршня — 95 миллиметров. Максимальные показатели мощности двигателя достигаются при 5200 оборотах в минуту. Мощность двигателя при таком количестве оборотов составляет 236 лошадиных сил. Но, несмотря на такие серьезные показатели мощности, двигатель имеет отличный момент, пик которого достигается при 3700 оборотах в минуту и составляет 377 Нм.

Особой характеристикой нового двигателя, которая приятно удивит автолюбителей, является наличие чугунных гильз, впресованых по новой технологии и имеющих отличную адгезию с алюминиевым блоком. Расточить такие тонкие гильзы, к сожалению, не получится. Если будут повреждены стенки цилиндра, то из-за возникновения задиров и глубоких царапин придется целиком менять блок цилиндра. В целях увеличения жесткости блока разработали специальную рубашку охлаждения, которая призвана предотвращать перегрев блока и распределять температуру равномерно по всему цилиндру. Ниже представлена детальная таблица моделей автомобилей, на которые устанавливался и до сих пор устанавливается двигатель 1GR-FE.
| Название модели | Период, в который двигатель 1GR-FE устанавливался на данную модель (года) |
|---|---|
| Toyota 4Runner N210 | 2002-2009 |
| Toyota Hilux AN10 | 2004-2015 |
| Toyota Tundra XK30 | 2005-2006 |
| Toyota Fortuner AN50 | 2004-2015 |
| Toyota Land Cruiser Prado J120 | 2002-2009 |
| Toyota Land Cruiser J200 | 2007-2011 |
| Toyota 4Runner N280 | 2009 – настоящее время |
| Toyota Hilux AN120 | 2015 – настоящее время |
| Toyota Tundra XK50 | 2006 – настоящее время |
| Toyota Fortuner AN160 | 2015 – настоящее время |
| Toyota Land Cruiser Prado J150 | 2009 – настоящее время |
| Toyota FJ Cruiser J15 | 2006 – 2017 |
Кроме автомобилей марки Toyota, 1GR-FE также с 2012-го года устанавливается на автомобили Lexus модели GX 400 J150.

- Двигатель производится концернами: Kamigo Plant, Shimoyama Plant, Tahara Plant, Toyota Motor Manufacturing Alabama.
- Официальная марка двигателя — Toyota 1GR.
- Годы производства: с 2002-го года по наши дни.
- Материал, из которого изготовляются блоки цилиндров: высококачественный алюминий.
- Система подачи топлива: инжекторные форсунки.
- Тип двигателя: V-образный.
- Количество цилиндров в двигателе: 6.
- Количество клапанов на цилиндр: 4.
- Ход поршня в миллиметрах: 95.
- Диаметр цилиндра в миллиметрах: 94.
- Степень сжатия: 10; 10,4.
- Объем двигателя в кубических сантиметрах: 3956.
- Мощности двигателя в лошадиных силах на обороты в минуту: 236 при 5200, 239 при 5200, 270 при 5600, 285 при 5600.
- Крутящий момент в Нм на обороты в минуту: 361/4000, 377/3700, 377/4400, 387/4400.
- Вид топлива: 95-октановый бензин.
- Экологическая норма: Евро 5.
- Общая масса двигателя: 166 килограмм.
- Расход топлива в литрах на 100 километров: в городе 14,7 литров, на трассе 11,8 литров, в смешанных условиях 13,8 литров.
- Расход моторного масла в граммах на 1000 километров: до 1000 грамм.
- Масло в двигатель: 5W-30.
- Сколько масла в двигателе: 5,2.
- Замена масла проводится раз в 10000 (минимум 5000) километров.
- Ресурс двигателя в километрах, выявленный в результате опроса автовладельцев: 300+.






























