Принципы работы системы подачи топлива
Основными принципами работы системы подачи топлива являются:
1. Бак для топлива: Топливо хранится в специальном баке, расположенном в задней части автомобиля. Бак имеет встроенный фильтр, который улавливает грязь и посторонние частицы, чтобы предотвратить попадание их в систему подачи.
2. Топливный насос: Он отвечает за подачу топлива из бака к двигателю. Топливный насос создает давление, необходимое для перемещения топлива по трубкам и форсункам системы подачи. Работа насоса основана на принципе впускания топлива и его дальнейшего перекачивания.
3. Топливные форсунки: Форсунки отвечают за распыление топлива в цилиндрах двигателя. Они получают сигналы от электронного управляющего блока двигателя, который определяет нужное количество топлива и момент его распыления. Форсунки распыляют топливо под высоким давлением и подача происходит точно в нужное время для обеспечения оптимальной смеси топлива и воздуха.
4. Регулятор давления топлива: Регулирует давление в системе подачи топлива. Он обеспечивает стабильное давление для оптимального распыления топлива форсунками в разных режимах работы двигателя. Регулятор давления регулирует подачу топлива в зависимости от изменения нагрузки на двигатель и других параметров.
5. Датчики: В системе подачи топлива установлены различные датчики, которые следят за различными параметрами работы двигателя и подстраивают работу системы подачи для обеспечения максимальной эффективности. Это могут быть датчики температуры, давления, оборотов двигателя и др.
Все эти компоненты системы подачи топлива работают вместе, чтобы обеспечить правильную подачу топлива в двигатель и поддерживать его оптимальную производительность.
Артикул и примерная стоимость фирменного топливного фильтра и его аналогов
На Дэу Нексия имеется топливный фильтр тонкой очистки. Он одинаков независимо от того 8 клапанов или 16 клапанов у двигателя автомобиля. Оригинальный расходник обладает одним из нижепредставленных каталожных номеров:
- 96130396;
- 25055129;
Стоимость родного фильтра тонкой очистки находится в пределах от 500 до 750 рублей. Также в продаже имеются аналоги фирменного фильтра. Наилучшие альтернативы приведены в таблице ниже.
Таблица — Аналоги топливного фильтра тонкой очистки на автомобиль Дэу Нексия
| Фирма производитель | Артикульный номер | Ориентировочная стоимость, рубль | 
| Profit | 15302903 | 165-200 | 
| Bosch | 0986450119 | 365-410 | 
| Parts-Mall | PCC002 | 210-270 | 
| Mann-Filter | WK6122 | 550-630 | 
| TRW | F185 | 1600-2700 | 
Помимо фильтра тонкой очистки на Дэу Нексия имеется сеточка, которая улавливает крупный мусор. На автомобилях до 2002 года производства используемая сетка-фильтр имеет артикул 96183953.
Фирменный фильтр грубой очистки обладает ценой от 160 до 220 рублей. Также есть возможность купить аналоги от других брендов. В таблице представлены наилучшие сеточки на авто до 2002 года выпуска.
Таблица — Альтернативы родной сеточки 96183953
| Бренд | Артикульный номер | Примерная стоимость, рубль | 
| Krauf | KR1048F | 155-200 | 
| Market (OEM) | 96183953 | 90-120 | 
| Konner | KFPX19 | 110-170 | 
| Grog | PZNX1078 | 44-60 | 
На автомобиле Дэу Нексия после 2002 года выпуска используется фильтр-сеточка с каталожным номером 96350078-2. Стоимость фирменной сеточки колеблется от 30 до 80 рублей. С наилучшим аналогами фильтр-сеточки можно ознакомиться в таблице ниже.
Таблица — Аналоги сеточки-фильтра 96350078-2
| Фирма производитель | Номер по каталогу | Ориентировочная стоимость, рубль | 
| Krauf | KR1128F | 55-70 | 
| Amd | FP164 | 50-70 | 
В некоторых случаях вместо замены фильтр-сеточки более выгодной является установка нового бензонасоса в сборе. Для автомобилей Дэу Нексия до 2002 года производства требуется узел с артикульным номером 96350078.
Цена на расходник варьируется от 1000 до 1800 рублеей. Также сеть возможность приобрести аналог. Наилучшие альтернативы представлены в таблице ниже.
Таблица — Аналоги фирменного топливного стакана Дэу Нексия до 2002 года выпуска
| Перечень компаний | Артикульный номер | Ориентировочная цена, рубль | 
| Profit | 40010035 | 1350-1700 | 
| ERA | 775242A | 1650-2200 | 
| Onnuri | 96494976 | 1550-1950 | 
| Parts-Mall | PDCM001 | 1750-2500 | 
| Japan Cars | O20010JC | 950-1400 | 
На автомобилях Дэу Нексия после 2002 года производства стоит топливный фильтр 96494976. Его стоимость варьируется от 2700 до 3000 рублей. Наилучшие аналоги родного узла приведены ниже.
Таблица — Аналоги оригинального топливного модуля для Дэу Нексия после 2002 года года выпуска
| Производитель | Артикул фильтра | Примерная цена, рубль | 
| Onnuri | 96494976 | 2000-2500 | 
| ERA | 775242A | 1650-2000 | 
| Profit | 40010035 | 1400-1600 | 
| Parts-Mall | PDCM001 | 1800-2300 | 
| Asam | 50070 | 1050-1400 | 
Сеточка
Топливная система на ВАЗ-2110 карбюратор
С 1996 по 2000 год на «десятки» устанавливались карбюраторные двигатели. В этой серии автомобилей за перекачку топлива от бака до карбюратора отвечал насос диафрагменного типа, устанавливаемый под карбюратором и приводимый в движение распределительным валом (через эксцентрик). Перед насосом установлен топливный фильтр, а после – карбюратор.
Карбюратор представляет собой устройство, смешивающее поступающий воздух и топливо в зависимости от множества факторов (положение педали акселератора, обороты, температура и т.п.). Готовая топливно-воздушная смесь поступает во впускной коллектор и воспламеняется при помощи свечей зажигания.
Температурой подаваемого воздуха управляет терморегулятор, установленный перед воздушным фильтром. Один воздушный канал забирает холодный воздух, а другой – проходит через выпускной коллектор и разогревается. Горячий воздух нужен для предотвращения замерзания карбюратора.
Как определить оптимальное давление в рампе
Для определения оптимального давления в рампе необходимо руководствоваться указаниями производителя автомобиля. Обычно информация о рекомендуемом давлении находится на наклейке водительской двери, в багажном отделении или в руководстве по эксплуатации.
Оптимальное давление в рампе зависит от нескольких факторов, таких как тип и размер шин, нагрузка на автомобиль и условия езды
Важно учитывать эти факторы при определении давления в рампе
Если вы не уверены в правильном давлении для вашего автомобиля, лучше проконсультироваться с профессионалами. Специалисты смогут предоставить вам точную информацию, учитывая характеристики вашей модели автомобиля и ваши индивидуальные потребности.
Не забывайте регулярно проверять давление в рампе и поддерживать его на оптимальном уровне. Это поможет вам экономить топливо, улучшить сцепление и продлить срок службы шин.
| Характеристика | Рекомендуемое давление | 
|---|---|
| Передние шины | 2.2 бар | 
| Задние шины | 2.0 бар | 
Система вентиляции топливного бака (бензобака) автомобилей ВАЗ 2108, 2109, 21099 и их модификаций

Она входит в состав системы питания. Система вентиляции бензобака необходима для предотвращения возникновения в нем избыточного давления, которое создают образующиеся здесь пары топлива (особенно при высокой температуре летом или сильном раскачивании автомобиля при движении).
Принцип действия системы вентиляции бензобака
Через две дренажные трубки, расположенные в топливном баке пары топлива, создающие избыточное давление в баке, по шлангу попадают в сепаратор. В нем они конденсируются, и образовавшийся бензин стекает обратно в топливный бак. Пары топлива удаляются через двухходовой клапан, соединенный шлангом с сепаратором.
Устройство системы вентиляции топливного бака ВАЗ 2108, 2109, 21099

Элементы системы вентиляции топливного бака автомобилей ВАЗ 2108, 2109, 21099
— Дренажные трубки внутри бака
Две дренажные трубки вставлены одна в другую, их концы расположены по краям топливного бака, для предотвращения вытекания топлива при поворотах автомобиля. Они имеют общий вывод на дренажный шланг к сепаратору.
— Сепаратор паров бензина
Герметичный пластмассовый бачок, установленный в задней правой части автомобиля на кронштейне. Соединен шлангами с топливным баком и двухходовым обратным клапаном. Служит для конденсации паров топлива поступающих в него из бака. Вместимость 7 литров. Конденсат бензина из сепаратора сливается обратно в топливный бак, пары через двухходовой клапан удаляются в атмосферу.
— Двухходовой обратный клапан
Расположен возле заливной горловины топливного бака. Соединен шлангом с сепаратором. Обратный клапан двойного действия: запускает атмосферный воздух в бензобак и при повышении в нем давления паров топлива, выпускает их в атмосферу.
Неисправности системы вентиляции бензобака
— Поломка обратного двухходового клапана
Результатом отказа клапана или засорения шлангов будет превышение давления в баке выше нормы, что может привести к его деформации, повреждению шлангов и сепаратора. В результате возможно появление течи топлива, появлению устойчивого запаха бензина как в салоне автомобиля, так и возле него.
Примечания и дополнения
— На впрысковом двигателе 2111 автомобилей ВАЗ 21083, 21093, 21099 вместо системы вентиляции топливного бака имеется система улавливания паров топлива. Она аналогична системе вентиляции, но в дополнение имеет адсорбер с клапаном, который впитывает пары топлива и по команде блока управления (продувка адсорбера) отправляет их на дожигание обратно в двигатель. Это позволяет не выбрасывать токсичные пары в атмосферу и соблюдать определенные нормы токсичности.
Еще статьи по системам карбюраторного двигателя автомобилей ВАЗ 2108, 2109, 21099
Блок предохранителей Нексия
Как и во всех европейских автомобилях тех времен, в Нексии реализован блок предохранителей с предохранителями вилочного типа. Это гораздо удобнее, чем старые патронные элементы. Каждый предохранитель отвечает за определенный участок цепи. В случае перегрузки или короткого замыкания, предохранитель не позволяет причинить вред электрооборудованию, находящемуся в цепи после него. Основное правило, которым нельзя пренебрегать, заключается в том, любое использование перемычек, коротящих контакты наглухо, жучков, недопустимо. Как недопустимо и применение предохранителей, не соответствующих номиналу. Если предохранитель будет иметь сопротивление ниже номинального, он перегорит, а если значительно выше, то перегорит оборудование, которое он должен был защищать.
Для удобства использования предохранители имеют корпуса разного цвета. 10-амперные предохранители с красным корпусом, 20-амперные желтые, 30-амперные предохранители имеют зеленый цвет корпуса. Плата предохранителей расположена в одном корпусе с блоком реле, а весь монтажный блок находится с водительской стороны под панелью приборов.
Схемы электрооборудования автомобилей Дэу Матиз (Daewoo Matiz)
Для удобства поиска в пределах страницы, фрагмента схемы, ниже представлены ссылки. Возврат на начало страницы, клавиши Ctrl+Home.
- Схема соединений блока реле и предохранителей, расположенных в салоне
- Схема соединений блока реле и предохранителей, расположенных в салоне (продолжение)
- Схемы освещения задней части автомобиля
- Схема пуска и заряда (двигатель 1,0л)
- Система управлением двигателем 1,0л (начало)
- Система управлением двигателем 1,0л (продолжение)
- Система управлением двигателем 1,0л (окончание)
- Схема реле и предохранителей, расположенных в подкапотном пространстве (начало)
- Схема соединений блока реле и предохранителей (продолжение), расположенных в подкапотном пространстве
- Схема соединений блока реле и предохранителей (продолжение)
- Схема соединений блока реле и предохранителей (окончание)
- Комбинация приборов (двигатель 1,0л, начало)
- Комбинация приборов (двигатель 1,0л, продолжение)
- Комбинация приборов (двигатель 1,0л, окончание)
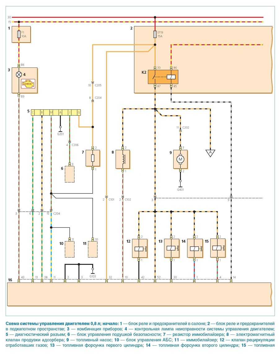
- Система управления двигателем 0,8л (начало)
- Система управления двигателем 0,8л (продолжение)
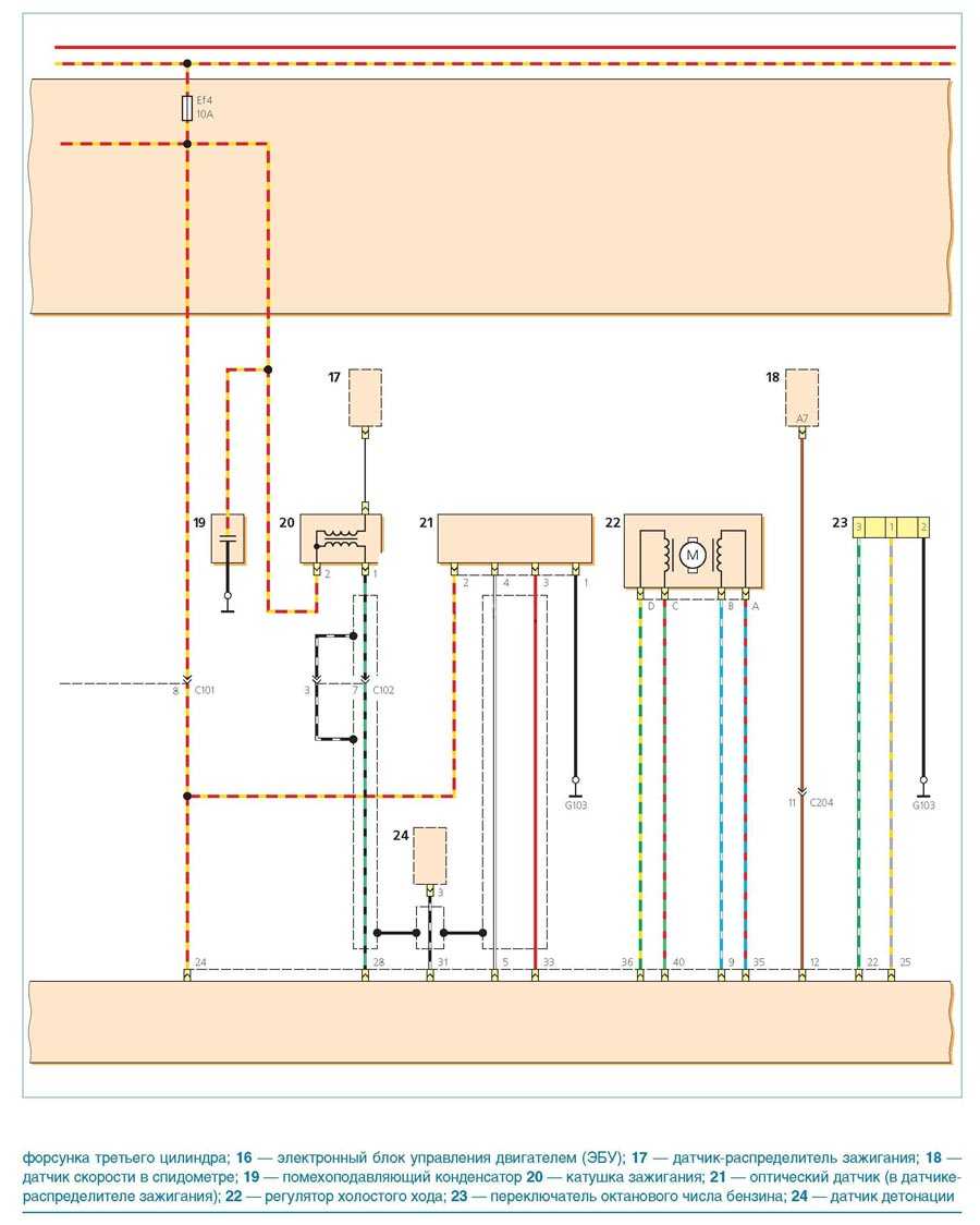
- Система управления двигателем 0,8л (окончание)
- Комбинация приборов (двигатель 0,8л, начало)
- Комбинация приборов (двигатель 0,8л окончание)
- Подсветка панели приборов. (двигатель 0,8л)
- Включение света фар и корректор световых пучков
- Противотуманные фары и фонари
- Блок реле и предохранителей в подкапотном пространстве (двигатель 0,8л)
- Электросхема генератора и стартера (двигатель 0,8л)
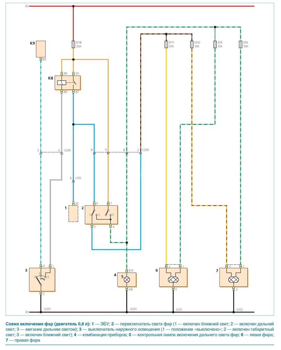
- Схема включения фар (двигатель 0,8л)
- Регулятор направления пучков света фар (двигатель 0,8л))
- Противотуманные фары и фонари (двигатель 0,8л)
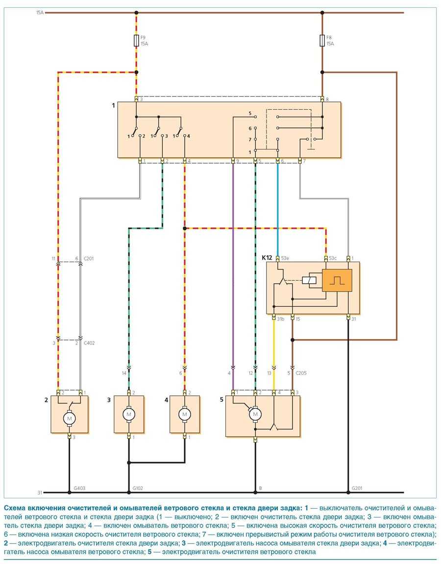
- Стеклоочистители и омыватели ветрового и заднего стекла
- Электростеклоподъёмники передних дверей, освещение салона и багажника
- Разъёмы устройств
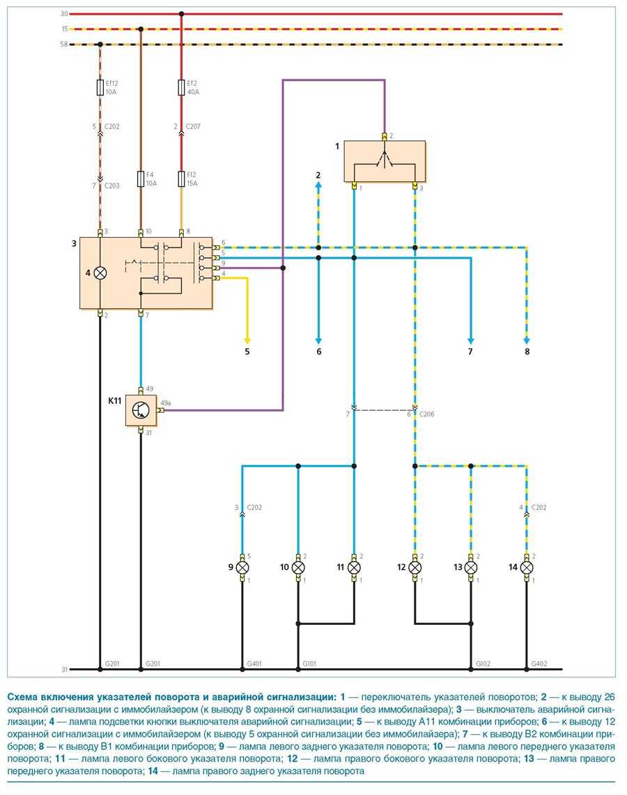
- Указатели поворота и аварийная сигнализация

Схема соединений блока реле и предохранителей, расположенных в салоне

Схема соединений блока реле и предохранителей, расположенных в салоне (продолжение)

Схемы освещения задней части автомобиля

Схема пуска и заряда (двигатель 1,0л)

Система управлением двигателем 1,0л (начало)

Система управлением двигателем 1,0л (продолжение)

Система управлением двигателем 1,0л (окончание)

Схема реле и предохранителей, расположенных в подкапотном пространстве (начало)

Схема соединений блока реле и предохранителей (продолжение), расположенных в подкапотном пространстве

Схема соединений блока реле и предохранителей (продолжение)

Схема соединений блока реле и предохранителей (окончание)

Комбинация приборов (двигатель 1,0л, начало)

Комбинация приборов (двигатель 1,0л, продолжение)

Комбинация приборов (двигатель 1,0л, окончание)

Система управления двигателем 0,8л (начало)

Система управления двигателем 0,8л (продолжение)

Система управления двигателем 0,8л (окончание)

Комбинация приборов (двигатель 0,8л, начало)

Комбинация приборов (двигатель 0,8л окончание)

Подсветка панели приборов. (двигатель 0,8л)

Включение света фар и корректор световых пучков

Противотуманные фары и фонари

Блок реле и предохранителей в подкапотном пространстве (двигатель 0,8л)

Электросхема генератора и стартера (двигатель 0,8л)

Схема включения фар (двигатель 0,8л)

Регулятор направления пучков света фар (двигатель 0,8л))

Противотуманные фары и фонари (двигатель 0,8л)

Стеклоочистители и омыватели ветрового и заднего стекла

Электростеклоподъёмники передних дверей, освещение салона и багажника


Указатели поворота и аварийная сигнализация
http://avto-remont-koreya.info/bezymyannyj.htmlhttp://zinref.ru/avtomobili/Daewoo/000_Daewoo_Matiz_za_rulom/072.htmhttp://koreanautoreview.com/daewoo/nexia/sxema-toplivnoj-sistemy-neksiya.htmlhttp://fastmb.ru/auto_shem/280-elektroshemy-daewoo-matiz.htmlhttp://sigtura.ru/load.php?id=87
голоса
Рейтинг статьи
Давление топлива. Измеряем своими руками, неисправный регулятор. — бортжурнал Daewoo Nexia 1.5 SOHC 2004 года на DRIVE2
Всем привет. На сегодняшний день расход топлива моего авто выходит за грани разумного, а именно 12 литров по городу. Хотя я езжу довольно активно, все же 1.5 литровый движок в объективно хорошем состоянии при весе машины в 1 тонну не должен жрать так много. Да и сама динамика не радует, впрочем она меня не радовала с самого момента покупки. Те кто читает мой БЖ знают, что фильтра меняются регулярно и форсунки совсем недавно чистились, что, кстати, дало результат, но в целом машина все еще тупит. А теперь она еще и заводиться стала хуже, что на холодную, что на горячую — без разницы. Приходится дольше крутить стартером. Но если начать заводить сразу же как только бензонасос замолк, тогда, как и раньше, заводится нормально, если же пройдет хотя бы две секунды, крутить приходится в два раза дольше. Из этого можно сделать предварительный вывод о том, что давление из топливной рампы очень быстро куда-то уходит.Проверив первым делом недавно модернизированный топливный фильтр и все уплотнения никаких подтеков не обнаружил. Решение очевидно — нужно мерить давление топлива. На сервисах эта процедура стоит около 500 рублей за пятиминутную работу, так что имел я эти сервисы… ввиду. Мой выход это, конечно же, самопальный манометр!)
Вообще хотел купить фирменный, в чемоданчике, но они все со штуцерами под резьбу, как на вазах. Стоимость этого приспособления мне обошлась еще дороже чем съездить на СТО, но учитывая, что данную диагностику возможно придется повторять, если не на этой машине так на другой, то он себя оправдывает.Коротко о том, что нужно:
— манометр, желательно для работы с жидкостью, хотя и не обязательно, рабочий диапазон до 6 бар, больше не нужно. Цена 200р;— топливный шланг, стандартный жигулевский — 130р. за метр;— мой манометр имеет диаметр резьбы 1/4, а тройников и ежиков под него не оказалось, по этому пришлось собирать через переходник на 1/2 — 40р.;— тройник сантехнический — 40р.;— штуцер — елочка диаметров 8 мм (что бы влез в топливный шланг) — 40р.;— тройник топливный, в моем случае стальной диаметром так же 8 мм — 50р.;— шесть хомутов 15-25 — 60р.;— защелка топливного фильтра — 150р.;— кран маевского — 40р.;
— ненужный старый топливный фильтр, от него нам нужно отпилить один штуцер (купил на сто за 50 рублей два таких фильтра):

Полный размер
Штуцер от старого фильтра, отпилен и обточен напильником
В итоге получится что-то вроде:
4) В другой конец шланга вставляем топливный тройник и закрепляем хомутом, таким образом :
5) Отрезаем еще два куска топливного шланга примерно по 5 см. каждый. В один кусок вставляем защелку топливного фильтра, во второй кусок вставляем отрезанный от фильтра штуцер. Вставляем его отпиленным концом внутрь, так, что бы буртик за который цепляется пластиковая защелка торчал из него на пол сантиметра. Все крепим хомутами, получаем что-то вроде:
На этом сборка окончена, можно пользоваться.
Теперь непосредственно о замере давления топлива.Под капотом снимаем воздушные патрубки в сборе:Отсоединяем подачу топлива к рейке (она справа по ходу движения авто, над генератором):
С топливной рейки снимаем пластиковую скобу:
Подключаем манометр в разрыв топливной магистрали. И вот тут обнаружился косяк. Защелка на топливной магистрали не такая как на топливном фильтре. К самой рейке пластиковая защелка соединилась отлично, а вот трубка к штуцеру от фильтра не подошла, слишком короткий этот штуцер. В итоге просто вставил трубку в штуцер манометра до упора и прижал самим манометром к чашке амортизатора. Вот таким образом:

Полный размер
Держалось на ура, ничего не сочилось.
Смастерил на скорую руку из куска шланга, первого попавшегося болтика и двух хомутов вот такую заглушку:

Полный размер
заглушка в обратку
Снова включаю зажигание и вижу, что давление накачалось до 3 слишним бар и стоит, никуда не уходит. Все понятно, регулятор под замену.

Полный размер
Вот он, корень зла!
Аналоги
Каждый раз заменять датчик абсолютного давления на оригинальную модель от производителя довольно затратно, да и не везде есть возможность его достать.
Таблица оригинальных запчастей:
| Количество клапанов двигателя | Модель мотора | Артикул сенсора | Средняя цена | 
|---|---|---|---|
| 8 | A15SMS | 16137039 | 2600–4000 | 
| 16 | F16D3 | 96276354 25184080 | 1600–3100 | 
Как вариант можно воспользоваться предложениями сторонних производителей, отличающимися ценой, а иногда и качеством в лучшую сторону.
Таблица запчастей от сторонних производителей:
| Марка двигателя | Артикул | Производитель | Приблизительная цена | 
|---|---|---|---|
| A15SMS (8 клапанов) | 206952756 | Hans Pries | 1150–1700 | 
| 15001 | FAE | 2000–2700 | |
| PS1007511B1 | Delphi | 2200–3100 | |
| F00099P169 | Bosch | 1800–2500 | |
| 6148990017 | Meyle | 1200–1800 | |
| F16D3 (16 клапанов) | 25184080 | Market | 1100–1500 | 
| 96276354 | Inzi | 1250–1700 | |
| 25195786 | Korea | 1200–1600 | |
| 82283 | Meat&Doria | 2200–3500 | |
| 17SKV123 | SKV | 900–1300 | 
Система улавливания паров бензина принцип действия.
Двигатель заглушен.
Когда двигатель автомобиля заглушен, в топливном баке создаётся давление за счёт испарения топлива. Пары топлива попадают в сепаратор. Туда же может попасть топливо под воздействием давления при полностью заправленном баке. Если бензин из за излишнего давления попадёт в трубопровод двухходового клапана, то сработает блокировочный и предохранительный клапаны. В этом случае происходит аварийный сброс давления наружу.
Сепаратор служит для отделения паров от бензина. Под воздействием давления открывается двухходовой клапан и пары по трубопроводу попадают в адсорбер, где происходит их поглощение активированным углём.
Работа после пуска двигателя.
После пуска и работы двигателя на холостом ходу, за счёт расхода топлива и снижения его объёма происходит снижение давления в бензобаке и перекрытие двухходового клапана. Это приводит к разобщению адсорбера и бензобака. В дальнейшем при продолжительной работе двигателя на холостом ходу в баке создаётся ещё большее разряжение и под воздействием давления паров из адсорбера двухходовой клапан открывается и производится частичная продувка адсорбера, то есть часть паров возвращаются в бак. Когда скорость автомобиля будет выше 20 км/ч, температура двигателя не ниже 80 гр. С, расчёт подачи топлива в цилиндры будет осуществляться по замкнутому циклу, то есть с участием показаний датчика кислорода и двигатель будет работать не на холостых оборотах (дроссельная заслонка открыта более чем на 2%) начнётся процесс продувки адсорбера. При этом контроллер кратковременно начнёт подавать питание на клапан продувки адсорбера.
Частота импульсов зависит от режима работы двигателя и находится в пределах 16 Гц. При срабатывании клапана продувки происходит сообщение фильтрующего элемента адсорбера с атмосферой, откуда поступает наружный воздух, и впускным коллектором, куда попадают пары бензина выветриваемые из фильтрующего элемента. При снижении скорости автомобиля ниже 2 км/ч или открытие дроссельной заслонки больше чем на 98%, контроллер прекращает подачу питания на клапан продувки адсорбера.
В соответствии с экологическими стандартами евро-3, вредные, углеводородные пары от испарений бензина, не должны попадать в атмосферу. Для этого, топливная система автомобиля должна быть оборудована абсорбером. Абсорбер топливной системы и улавливает эти самые пары. Давайте рассмотрим, что же это такое, для чего он нужен в автомобиле, и принцип его работы. 
Симптомы низкого давления в рампе
Низкое давление в рампе (топливной) является серьезной проблемой, которую можно обнаружить во время вождения вашей автомобильной модели Дэу Нексия. Он может вызвать различные проблемы с работой двигателя и привести к снижению производительности автомобиля
Вот несколько симптомов, на которые нужно обратить внимание, если вы подозреваете низкое давление в рампе:
Трудности при запуске двигателя: Если давление в рампе слишком низкое, двигатель может не запускаться с первой попытки. Вы можете заметить, что при повороте ключа стартер вертится, но двигатель не запускается.
Снижение мощности: Низкое давление в рампе может привести к уменьшению мощности двигателя. Вы можете ощутить, что автомобиль стал реагировать медленнее на нажатие педали газа и ускорение стало менее энергичным.
Повышенный расход топлива: Если давление в рампе недостаточно, двигатель может не получать достаточное количество топлива для нормальной работы. В результате этого может повыситься расход топлива, так как двигатель пытается компенсировать недостаток топлива.
Тряска и дрожание двигателя: Низкое давление в рампе может привести к неправильной работе цилиндров и привести к тряске или дрожанию двигателя во время холостого хода или во время работы на низких оборотах.
Повышенные выбросы вредных веществ: При низком давлении в рампе топлива может возрасти количество выбросов вредных веществ, таких как оксиды азота и углеродный монооксид
Это может привести к проблемам с экологичностью автомобиля и привлечь внимание соответствующих властей.
Если вы начали замечать указанные симптомы, рекомендуется немедленно обратиться к квалифицированному специалисту для проведения диагностики и ремонта топливной системы вашего автомобиля Дэу Нексия. Не допускайте игнорирования или откладывания решения этой проблемы, поскольку это может привести к более серьезным повреждениям и дорогостоящему ремонту в будущем.
Особенности конструкции системы питания автомобиля Дэу Нексия
В состав системы питания входят элементы следующих систем:
- системы подачи топлива, включающей в себя топливный бак 44, электробензонасос 36, трубопроводы 18, 19, 20, 23, 30, шланги 16, 32, топливную рампу с форсунками и регулятором давления топлива. а также топливный фильтр 25;
- системы воздухоподачи, состоящей из воздушного фильтра, воздухоподающих патрубков, дроссельного узла;
- системы улавливания паров топлива, включающей себя адсорбер 3 и соединительные трубопроводы 54, 59.
Функциональное назначение системы подачи топлива — обеспечение подачи необходимого количества топлива в двигатель на всех режимах работы. Двигатели DONC и SONC оборудованы электронной системой управления двигателем с распределенным впрыском топлива. В системе распределенного впрыска топлива функции смесеобразования и дозирования подачи топливовоздушной смеси в цилиндры двигателя разделены: форсунки осуществляют дозированный впрыск топлива во впускную трубу, а необходимое в каждый момент работы двигателя количество воздуха подается системой, состоящей из дроссельного узла и регулятора холостого хода. Такой способ управления дает возможность обеспечивать оптимальный состав горючей смеси в каждый конкретный момент работы двигателя, что позволяет получить максимальную мощность при минимально возможном расходе топлива и низкой токсичности отработавших газов. Управляет системой впрыска топлива и системой зажигания электронный блок управления двигателем, непрерывно контролирующий с помощью соответствующих датчиков нагрузку двигателя, скорость движения автомобиля, тепловое состояние двигателя, оптимальность процесса сгорания в цилиндрах двигателя.
Основным датчиком для системы впрыска топлива является датчик концентрации кислорода 3 (см. рис. ниже) в отработавших газах (лямбда-зонд). Он установлен в выпускном коллекторе 2 двигателя и совместно с блоком управления двигателем 5 и форсунками 1 образует контур управления составом топливовоздушной смеси, подаваемой в двигатель.
По сигналам датчика концентрации кислорода блок управления двигателем определяет количество несгоревшего кислорода в отработавших газах и соответственно оценивает оптимальность состава топливовоздушной смеси, поступающей в цилиндры двигателя в каждый момент времени.
Зафиксировав отклонение состава от оптимального 1:14 (топливо:воздух), обеспечивающего наиболее эффективную работу каталитического нейтрализатора отработавших газов, блок управления с помощью форсунок изменяет состав смеси. Поскольку датчик концентрации кислорода включен в цепь обратной связи блока управления двигателем, контур управления составом топливовоздушной смеси является замкнутым.
Особенностью системы управления двигателями A15SMS и F16MF автомобиля Нексия является наличие, помимо управляющего датчика, второго датчика 7 концентрации кислорода, диагностического, установленного на выходе из нейтрализатора 6 отработавших газов. По составу газов, прошедших через нейтрализатор, он определяет эффективность его работы.
Рис. Схема контура управления составом топливовоздушной смеси: 1- форсунка; 2- выпускной коллектор; 3- управляющий датчик концентрации кислорода; 4- двигатель; 5- электронный блок управления двигателем; 6- каталитический нейтрализатор отработавших газов; 7- диагностический датчик концентрации кислорода.
Топливный бак сварной, штампованный. Топливный бак установлен под полом кузова в его задней части и закреплен двумя стальными хомутами 2 и 7.

 
            


























